MPU...08..
Profil Mammut ve tvaru U
- Typ: MPU xxx.08xx
- 5 velikostí
- Materiál: S355 J2G3 (UNI FE 510-C)
- Maximální délka v jednom kuse 12 m
Příklad objednání:
MPU 165.0810 / L=2000mm
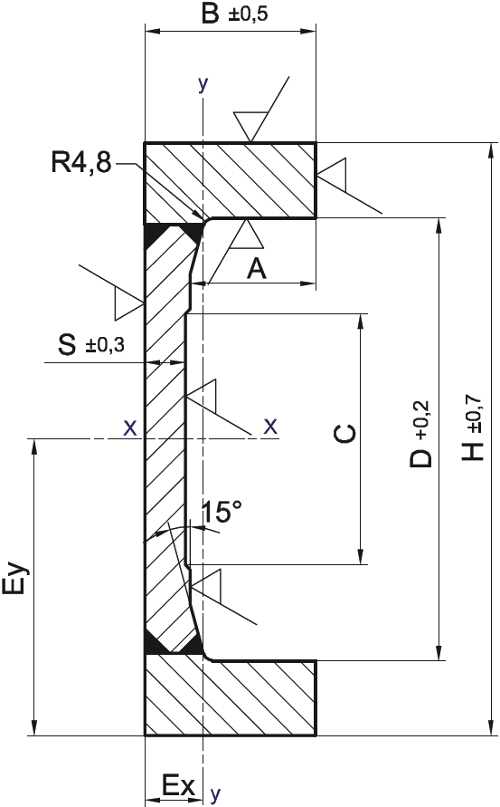
Specifikace vodícího profilu MPUxxx.08xx:
| Typ / provedení | Základní rozměry / mm (bližší informace viz.katalog) |
|||||||||
| Velikost | Provedení | H | B | D | C | S | Wx | Wy | Ix | Iy |
| MPU 165 | .810 | 230 | 75,5 | 165,4 | 80 | 18 | 383 | 87 | 4410 | 174 |
| MPU 190 | .816 | 255 | 77 | 190,4 | 80 | 22 | 598 | 167 | 7631 | 434 |
| MPU 220 | .818 | 295 | 85 | 220,4 | 125 | 20 | 856 | 231 | 12632 | 672 |
| MPU 250 | .828 | 344 | 94 | 250,4 | 125 | 26,5 | 1358 | 344 | 23371 | 1117 |
| MPU 280 | .842 | 394 | 114 | 280,4 | 125 | 26,5 | 2156 | 577 | 42473 | 2354 |
Katalogový list
Odkazy
Modely
Video




