
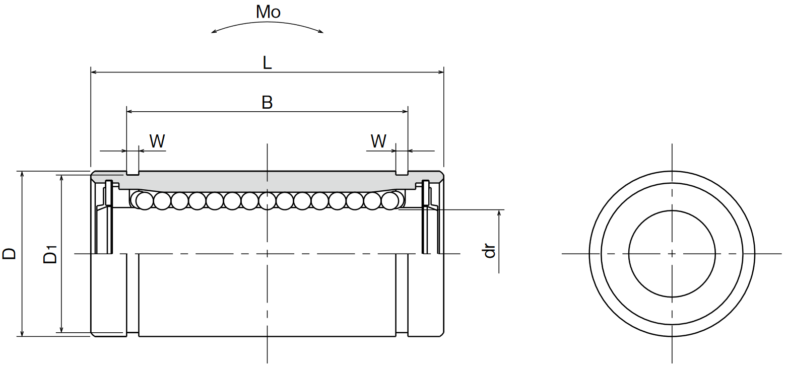
Rozměry a únosnost:
| Typ / Provedení | Rozměry (mm) | Silové zatížení (N) |
Ohybový moment (Nm) | ||||||
| Dynamické | Statické | Statický | |||||||
| dr | D | L | B | W | D1 | C | Co | Mo | |
| SM 6G-LUU |
6 | 12 | 26 | 20,5 | 1,1 | 11,5 | 262 | 476 | 1,15 |
| SM 8G-LUU | 8 | 15 | 32 | 25,5 | 1,1 | 14,3 | 352 | 615 | 1,94 |
| SM 10G-LUU | 10 | 19 | 39 | 32 | 1,3 | 18 | 493 | 1000 | 3,98 |
| SM 12G-LUU | 12 | 21 | 41 | 34 | 1,3 | 20 | 637 | 1430 | 6,26 |
| SM 13G-LUU | 13 | 23 | 45 | 36 | 1,3 | 22 | 682 | 1560 | 7,68 |
| SM 16G-LUU | 16 | 28 | 53 | 42 | 1,6 | 27 | 1039 | 2350 | 13,2 |
| SM 20G-LUU | 20 | 32 | 59 | 48,5 | 1,6 | 30,5 | 1160 | 2740 | 17,9 |
| SM 25G-LUU | 25 | 40 | 83 | 69 | 1,85 | 38 | 1300 | 2960 | 27,2 |
| SM 30G-LUU | 30 | 45 | 90 | 75 | 1,85 | 43 | 2160 | 5880 | 61,3 |
Nomenklatura značení: SM 25 G L UU
| SM |
25 | G | L | UU |
| 1. | 2. | 3. | 4. | 5. |
| Typ | Velikost | Typ klece | Dlouhý typ | Těsnění |
1 - Typ
- SM ... nerezové provedení
2 - Vnitřní průměr
3 - Typ klece
- G ... plastová klec
4 - W ... dvojitý typ
5 - Těsnění
- UU ... těsnění z obou stran
- ZZ ... dvojité těsnění na obou stranách
Poznámka: Kuličková pouzdra je možné dodat s povrchovou úpravou pro specifické prostředí


Katalogový list
Odkazy
Modely
Video


