UP...0760 / Tiger Precision
Vodící profil série "Tiger Precision" UPxxx.0760
- Typ: UP xxx.0760
- 7 velikostí
- Materiál: 18MnNb6 (s vyšší nosností)
- Válcovaný za studena
- Mikrolegovaná jemnozrnná ocel s přisadou niobu (Nb) a vanadu (V)
- Maximální zatížení: 860 MPa
- Elastický limit: ≥ 430 MPa
- Pevnost v tahu: 550 - 700 MPa
- Vnitřní rozměr v toleranci +/- 0,15mm na délce 6m
- Frézované vnitřrní funkční plochy a vnější zádní plocha zajišťují vyšší přesnost a rovnoběžnost
- Maximální délka v jednom kuse 6 m
Příklad objednání:
UP 060.0760 / L=2000mm
Základní popis:
Vodící U-profil UPxxx.0760 série Tiger Precision je přesná verze U-profilu, který vyroben z materiálu 18MnNb6 s vyšší únosností. Díky přidání niobu a vanadu (NbV) je velmi vhodný pro svařování. Vodící U-profil je vyroben válcováním za studena z mikrolegované jemnozrnné oceli s přídavkem niobu a vanadu. S obrobenými funkčními plochami nalezne uplatnění tam, kde je vyžadována přesnost lineárního pohybu. Je k dispozici v délce až 6 m a umožňuje jednostranné vedení.
Profil vhodný pro kladky:
UP...0760 (Tiger-Precision) ... je vhodný pro kombinované kladky: PT...0260 / PT...0320 / PT...0362 / PT...0365 / PT...0460
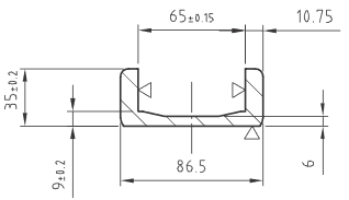
U-PROFIL UP060.0760 Tiger Precision

| Typ profilu | Základní rozměry / mm |
Mechanické vlastnosti | Hmotnost | |||||
| Vnitřní šířka |
Vnější šířka |
Výška |
Wx / cm3 |
Wy / cm3 | Ix / cm4 | Iy / cm4 | kg / m | |
| UP 060.0760 (Nb) |
65,0 | 86,5 | 35,0 | 24,0 | 6,0 | 126,0 | 13,0 | 9,4 |
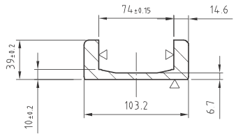
U-PROFIL UP070.0760 Tiger Precision

| Typ profilu | Základní rozměry | Mechanické vlastnosti | Hmotnost | |||||
| Vnitřní šířka / mm | Vnější šířka / mm | Výška / mm |
Wx / cm3 |
Wy / cm3 | Ix / cm4 | Iy / cm4 | kg / m | |
| UP 070.0760 (Nb) |
74,0 | 103,2 | 39 | 41,0 | 10,0 | 255,0 | 25,0 | 13,4 |
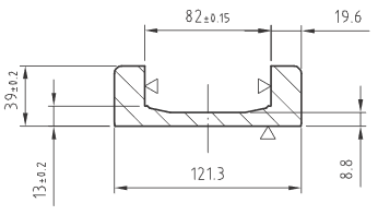
U-PROFIL UP080.0760 Tiger Precision

| Typ profilu | Základní rozměry | Mechanické vlastnosti | Hmotnost | |||||
| Vnitřní šířka / mm | Vnější šířka / mm | Výška / mm |
Wx / cm3 |
Wy / cm3 | Ix / cm4 | Iy / cm4 | kg / m | |
| UP 080.0760 (Nb) |
82,0 | 121,3 | 39,0 | 63,0 | 13,0 | 449,0 | 36,0 | 17,8 |
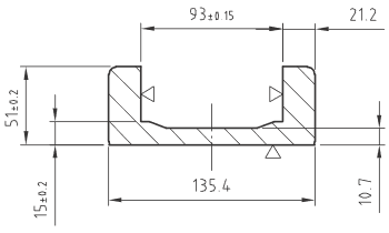
U-PROFIL UP090.0760 Tiger Precision

| Typ profilu | Základní rozměry | Mechanické vlastnosti | Hmotnost | |||||
| Vnitřní šířka / mm | Vnější šířka / mm | Výška / mm |
Wx / cm3 |
Wy / cm3 | Ix / cm4 | Iy / cm4 | kg / m | |
| UP 090.0760 (Nb) |
93,0 | 135,4 | 51 | 99,0 | 25,0 | 795,0 | 80,0 | 24,9 |
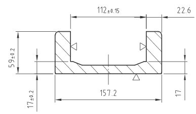
U-PROFIL UP110.0760 Tiger Precision

| Typ profilu | Základní rozměry | Mechanické vlastnosti | Hmotnost | |||||
| Vnitřní šířka / mm | Vnější šířka / mm | Výška / mm |
Wx / cm3 |
Wy / cm3 | Ix / cm4 | Iy / cm4 | kg / m | |
| UP 110.0760 (Nb) |
112,0 | 157,2 | 59,0 | 148,0 | 37,0 | 1 382,0 |
138,0 | 32,1 |
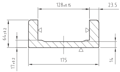
U-PROFIL UP120.0760 Tiger Precision

| Typ profilu | Základní rozměry | Mechanické vlastnosti | Hmotnost | |||||
| Vnitřní šířka / mm | Vnější šířka / mm | Výška / mm |
Wx / cm3 |
Wy / cm3 | Ix / cm4 | Iy / cm4 | kg / m | |
| UP 120.0760 (Nb) |
128,0 | 175,0 | 64,0 | 188,0 | 45,0 | 1 980,0 |
195,0 | 36,3 |
U-PROFIL UP150.0760 Tiger Precision

| Typ profilu | Základní rozměry | Mechanické vlastnosti | Hmotnost | |||||
| Vnitřní šířka / mm | Vnější šířka / mm | Výška / mm |
Wx / cm3 |
Wy / cm3 | Ix / cm4 | Iy / cm4 | kg / m | |
| UP 150.0760 (Nb) |
154,0 | 201,5 | 69,0 | 259,0 | 53,0 | 3 117,0 |
240,0 | 44,7 |
![]()



