UP...0780 / Stainless Steel
Vodící profil série "Tiger Stainless Steel" UPxxx.0780
- Typ: UP xxx.0780
- 3 velikosti
- Materiál: 1.4301 INOX
- Vysoká nosnost
- Vhodný pro svařování
- Velmi vysoká odolnost proti opotřebení
- Maximální délka v jednom kuse 8 m
Příklad objednání:
UP 070.0780 / L=2000mm
Základní popis:
Vodící U-profil UPxxx.0780 série Tiger Stainless Steel je nerezová verze U-profilu, který vyroben z materiálu 1.4301 (nerezová ocel). Proto U-profily této série najdou uplatnění tam, kde je vyžadována ochrana proti korozi v důsledku podmínek prostředí. Je k dispozici v délce až 6 m a umožňuje jednostranné vedení.
Profil vhodný pro kladky:
UP...0780 (Tiger-Stainless Steel) ... je vhodný pro kombinované kladky: TR...0390 / STR...4200
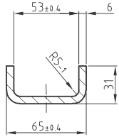
U-PROFIL UP050.0780 Tiger Stainless Steel

| Typ profilu | Základní rozměry / mm |
Mechanické vlastnosti | Hmotnost | |||||
| Vnitřní šířka |
Vnější šířka |
Výška |
Wx / cm3 |
Wy / cm3 | Ix / cm4 | Iy / cm4 | kg / m | |
| UP 050.0780 |
53,0 | 65,0 | 31 | 11,9 | 2,5 | 38,8 | 5,2 | 5,3 |
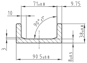
U-PROFIL UP070.0780 Tiger Stainless Steel

| Typ profilu | Základní rozměry | Mechanické vlastnosti | Hmotnost | |||||
| Vnitřní šířka / mm | Vnější šířka / mm | Výška / mm |
Wx / cm3 |
Wy / cm3 | Ix / cm4 | Iy / cm4 | kg / m | |
| UP 070.0780 |
71,0 | 90,5 | 38,0 | 32,6 | 6,4 | 147,6 | 16,2 | 10,7 |
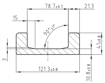
U-PROFIL UP080.0780 Tiger Stainless Steel

| Typ profilu | Základní rozměry | Mechanické vlastnosti | Hmotnost | |||||
| Vnitřní šířka / mm | Vnější šířka / mm | Výška / mm |
Wx / cm3 |
Wy / cm3 | Ix / cm4 | Iy / cm4 | kg / m | |
| UP 080.0780 |
78,7 | 121,3 | 41 | 81,0 | 15,0 | 495,0 | 38,0 | 21,0 |
Katalogový list
Odkazy
Modely
![]()
Video



