XUP...0700 / ΙXΙtra-Strong
Vodící profil série "ΙXΙtra-Strong" XUP
- Typ: XUP xxx.0700
- 7 velikostí
- Materiál: 25MnV5mod (s vyšší nosností)
- Válcovaný za tepla
- Maximální zatížení: 1060 MPa
- Elastický limit: ≥ 550 MPa
- Pevnost v tahu: 700 - 900 MPa
- Až o 60% vyšší únosnost oproti standardnímu profilu
- Vyšší odolnost vůči opotřebení oproti standardnímu profilu
- Vnitřní rozměr v toleranci +/- 0,2mm na délce 8m
- Maximální délka v jednom kuse 8,8 m
Příklad objednání:
XUP 060.0700 / L=2000mm
Základní popis:
Vodící U-profil XUPxxx.0700 je IXItra silná verze U-profilu, který je vyroben z materiálu 25MnV5mod. Díky vysoce kvalitní slitině vanadové oceli jsou vodicí profily IXItra-Strong tvrdší a pevnější. Vodicí profil válcovaný za tepla s obrobenými funkčními plochami a má toleranci vnitřního rozměru profilu +/- 0,2mm / 8m. Při srovnání se stejnou velikostí standardního U-profilu má o 60% vyšší zátěžnou kapacitu. Je k dispozici v délce až 8,8 m.
Vodící profily XUP jsou:
- ΙXΙtra-únosné ... přibližně o 60% vyšší nosnost než standardní U-vodicí profily
- ΙXΙtra-přesné ... tolerance vnitřního funkčního rozměru profilu +/- 0,2mm na 8m
- ΙXΙtra-silné ... lepší mechanické vlastnosti než standardní U-vodící profil
- ΙXΙtra-odolné ... vyšší odolnost vůči opotřebení oproti standardnímu U-vodícímu profilu
Profil vhodný pro kladky:
XUP...0700 (ΙXΙtra-Strong) ... je vhodný pro kombinované kladky: XTR...0200 / XTR...0300 / XTR...0400 / XSTR / XSFE
U-PROFIL XUP060.0700 ΙXΙtra-Strong

| Typ profilu | Základní rozměry | Mechanické vlastnosti | Hmotnost | |||||
| Vnitřní šířka / mm | Vnější šířka / mm | Výška / mm |
Wx / cm3 |
Wy / cm3 | Ix / cm4 | Iy / cm4 | kg / m | |
| XUP 060.0700 |
65,8 | 86,5 | 36 | 29,5 | 11,3 | 127,9 | 13,8 | 9,82 |
U-PROFIL XUP070.0700 ΙXΙtra-Strong

| Typ profilu | Základní rozměry | Mechanické vlastnosti | Hmotnost | |||||
| Vnitřní šířka / mm | Vnější šířka / mm | Výška / mm |
Wx / cm3 |
Wy / cm3 | Ix / cm4 | Iy / cm4 | kg / m | |
| XUP 070.0700 |
74,1 | 103,2 | 40 | 50,4 | 17,6 | 260,1 | 25,4 | 13,97 |
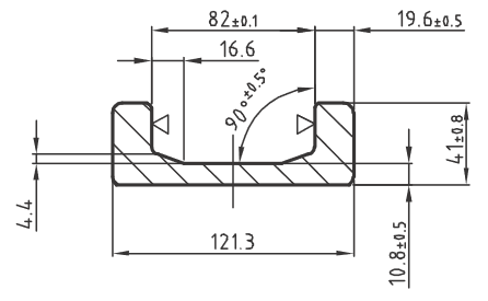
U-PROFIL XUP080.0700 ΙXΙtra-Strong

| Typ profilu | Základní rozměry | Mechanické vlastnosti | Hmotnost | |||||
| Vnitřní šířka / mm | Vnější šířka / mm | Výška / mm |
Wx / cm3 |
Wy / cm3 | Ix / cm4 | Iy / cm4 | kg / m | |
| XUP 080.0700 |
82 | 121,3 | 41 | 79,0 | 23,9 | 479,5 | 35,9 | 20,24 |
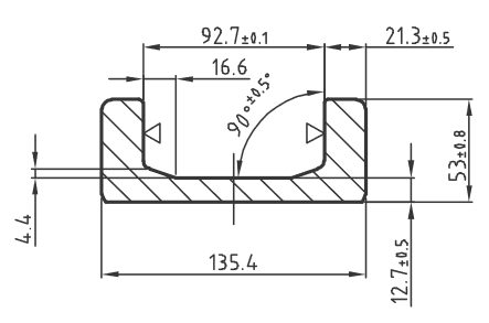
U-PROFIL XUP090.0700 ΙXΙtra-Strong

| Typ profilu | Základní rozměry | Mechanické vlastnosti | Hmotnost | |||||
| Vnitřní šířka / mm | Vnější šířka / mm | Výška / mm |
Wx / cm3 |
Wy / cm3 | Ix / cm4 | Iy / cm4 | kg / m | |
| XUP 090.0700 |
92,7 | 135,4 | 53 | 124,1 | 43,9 | 840,2 | 85,2 | 27,65 |
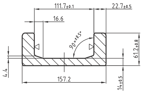
U-PROFIL XUP110.0700 ΙXΙtra-Strong

| Typ profilu | Základní rozměry | Mechanické vlastnosti | Hmotnost | |||||
| Vnitřní šířka / mm | Vnější šířka / mm | Výška / mm |
Wx / cm3 |
Wy / cm3 | Ix / cm4 | Iy / cm4 | kg / m | |
| XUP 110.0700 |
111,7 | 157,2 | 61,2 | 184,6 | 65,7 | 1 451,0 | 144,2 | 34,77 |
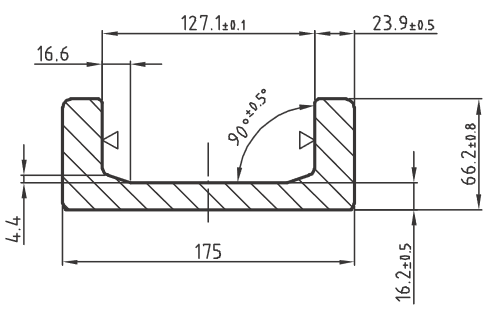
U-PROFIL XUP120.0700 ΙXΙtra-Strong

| Typ profilu | Základní rozměry | Mechanické vlastnosti | Hmotnost | |||||
| Vnitřní šířka / mm | Vnější šířka / mm | Výška / mm |
Wx / cm3 |
Wy / cm3 | Ix / cm4 | Iy / cm4 | kg / m | |
| XUP 120.0700 |
127,1 | 175 | 66,2 | 242,9 | 85,2 | 2 125,3 |
197,0 | 41,69 |
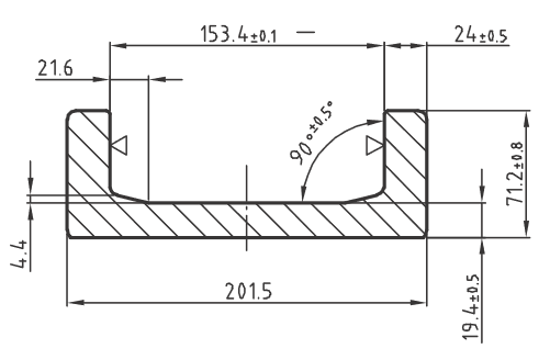
U-PROFIL XUP150.0700 ΙXΙtra-Strong

| Typ profilu | Základní rozměry | Mechanické vlastnosti | Hmotnost | |||||
| Vnitřní šířka / mm | Vnější šířka / mm | Výška / mm |
Wx / cm3 |
Wy / cm3 | Ix / cm4 | Iy / cm4 | kg / m | |
| XUP 150.0700 |
153,4 | 201,5 | 71,2 | 330,7 | 109,7 | 3 332,3 |
257,6 | 50,99 |



