BQ...4000 / Stainless Steel
Čtvercová upínací deska BQ4000
- Typ: BQ4000 / čtvercová upínací deska - INOX
- Materiál: nerezová ocel X5CrNi18-10
- 3 velikosti
Axiální vůle může být dodatečně seřízena pomocí distančních plechů:
- BQxxx.4405 (šíře 0,5mm)
- BQxxx.4410 (šíře 1,0mm)
Příklad objednání:
BQ050.4000
(Čtvercová deska BQ4000 pro velikost kladky TR050.xxxx)
TR 070.0390/BQ4000
(kombinovaná kladka TR070.0390 se čtvercovou deskou BQ4000)
Na základě požadavku lze dodat speciání přírubu dle požadavku


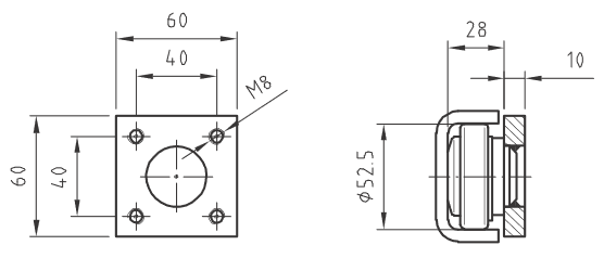
Čtvercová upínací deska BQ050.4000

| Typ kladky |
Typ desky |
Základní rozměry / mm |
Distanční plech pro dodatečné seřízení v axiální směru | |||||
| Výška desky |
Šířka desky |
Síla desky |
Síla plechu 0,5mm |
Síla plechu 1,0mm | ||||
| TR 050.0390 |
BQ 050/4000 | 60 | 60 | 10 | BQ 050.4405 | BQ 050.4410 | ||
U velikosti 050 je možná pouze kombinace s kladkou TR 050.0390
Čtvercová upínací deska BQ070.4000

| Typ kladky |
Typ desky |
Základní rozměry / mm |
Distanční plech pro dodatečné seřízení v axiální směru | |||||
| Výška desky |
Šířka desky |
Síla desky |
Síla plechu 0,5mm |
Síla plechu 1,0mm | ||||
| TR 070.0380 |
BQ 070/4000 | 80 | 80 | 15 | BQ 070.4405 | BQ 070.4410 | ||
| TR 070.0390 | BQ 070/4000 | 80 | 80 | 15 | BQ 070.4405 | BQ 070.4410 | ||
U velikosti 070 je možná kombinace s kladkou TR 070.0380 a TR 070.0390
Čtvercová upínací deska BQ080.4000

| Typ kladky |
Typ desky |
Základní rozměry / mm |
Distanční plech pro dodatečné seřízení v axiální směru | |||||
| Výška desky |
Šířka desky |
Síla desky |
Síla plechu 0,5mm |
Síla plechu 1,0mm | ||||
| TR 080.0380 |
BQ 080/4000 | 80 | 80 | 15 | BQ 080.4405 | BQ 080.4410 | ||
| TR 080.0390 | BQ 080/4000 | 80 | 80 | 15 | BQ 080.4405 | BQ 080.4410 | ||
U velikosti 080 je možná kombinace s kladkou TR 080.0380 a TR 080.0390
3D modely jsou dostupné u každé série kombinovaných kladek



