BR...4100 / Stainless Steel
Obdélníková upínací deska BQ4000
- Typ: BR4100 / obdélníková upínací deska - INOX
- Materiál: nerezová ocel X5CrNi18-10
- 2 velikosti
Axiální vůle může být dodatečně seřízena pomocí distančních plechů:
- BRxxx.4505 (šíře 0,5mm)
- BRxxx.4510 (šíře 1,0mm)
Příklad objednání:
BR070.4100
(Obdélníková deska BR4100 pro velikost kladky TR070.xxxx)
TR 070.0390/BR4100
(kombinovaná kladka TR070.0390 s obdélníkovou deskou BR4100)
Na základě požadavku lze dodat speciání přírubu dle požadavku



| Typ kladky |
Typ desky |
Základní rozměry / mm |
Distanční plech pro dodatečné seřízení v axiální směru | |||||
| Výška desky |
Šířka desky |
Síla desky |
Síla plechu 0,5mm |
Síla plechu 1,0mm | ||||
| TR 070.0380 |
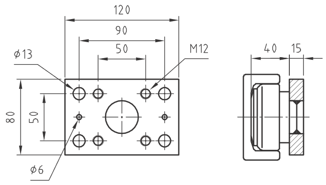
/ BR4100 | 80 | 120 | 15 | BR 070.4505 | BR 070.4510 | ||
| TR 070.0390 | / BR4100 | 80 | 120 | 15 | BR 070.4505 | BR 070.4510 | ||
U velikosti 070 je možná kombinace s kladkou TR 070.0380 a TR 070.0390

| Typ kladky |
Typ desky |
Základní rozměry / mm |
Distanční plech pro dodatečné seřízení v axiální směru | |||||
| Výška desky |
Šířka desky |
Síla desky |
Síla plechu 0,5mm |
Síla plechu 1,0mm | ||||
| TR 080.0380 |
/ BR4100 | 80 | 120 | 15 | BR 080.4505 | BR 080.4510 | ||
| TR 080.0390 | / BR4100 | 80 | 120 | 15 | BR 080.4505 | BR 080.4510 | ||
U velikosti 080 je možná kombinace s kladkou TR 080.0380 a TR 080.0390
Katalogový list
Odkazy


Modely
3D modely jsou dostupné u každé série kombinovaných kladek
Video



