

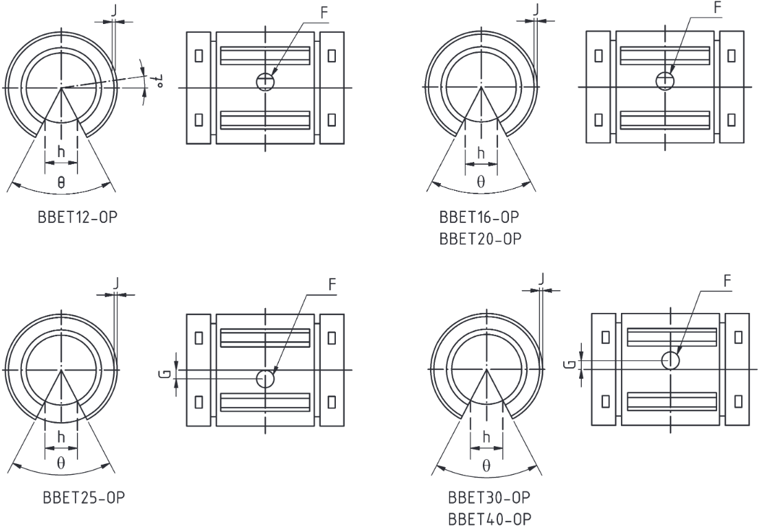
Rozměry a únosnost:
| Typ / Provedení |
Rozměry (mm) | Silové zatížení (N) | |||||||||||
| Dynamické | Statické | ||||||||||||
| dr | D | L | L1 | L2 | D1 | h | θ (°) | F H11 | G | J | C | Co | |
| BBET12-OP | 12 | 22 | 32 | 22,9 | 1,3 | 21,0 | 6,5 | 66 | 3 | - | 0,7 | 1020 | 1290 |
| BBET16-OP | 16 | 26 | 36 | 24,9 | 1,3 | 24,9 | 9,0 | 68 | 3 | - | 1,0 | 1250 | 1550 |
| BBET20-OP | 20 | 32 | 45 | 31,5 | 1,6 | 30,3 | 9,0 | 55 | 3 | - | 1,0 | 2090 | 2630 |
| BBET25-OP | 25 | 40 | 58 | 44,1 | 1,85 | 37,5 | 11,5 | 57 | 3 | 1,5 | 1,5 | 3780 | 4720 |
| BBET30-OP | 30 | 47 | 68 | 52,1 | 1,85 | 44,5 | 14,0 | 57 | 3 | 2,0 | 1,7 | 5470 | 6810 |
| BBET40-OP | 40 | 62 | 80 | 60,6 | 2,15 | 59,0 | 19,5 | 56 | 3 | 1,5 | 2,4 | 6590 | 8230 |
| BBET50-OP | 50 | 75 | 100 | 77,6 | 2,65 | 72,0 | 22,5 | 54 | 5 | 2,5 | 2,7 | 10800 | 13500 |
Nomenklatura značení:

Příklad značení: BBET 25 UU - OP
- specifikace (BBET - SUPER pouzdro)
- 25 (vnitřní průměr)
- UU (těsnění z obou stran) / U (těsnění z jedné strany) / bez označení (bez těsnění)
- OP (otevřený typ)
Modely
Video


