Kuličkové pouzdro SBE
Kuličkové pouzdro SBE-economy
- Pro průměry hřídele: 16 - 50mm
- Statická únosnost: až 11051N
- Dynamická únosnost: až 11567N
- Rozměry dle ISO
- Uzavřený typ
- Cenově výhodná varianta pouzdra
Příklad značení: SBE-25-UU
- SBE (typ pouzdra)
- 25 (vnitřní průměr)
- UU (těsnění z obou stran)

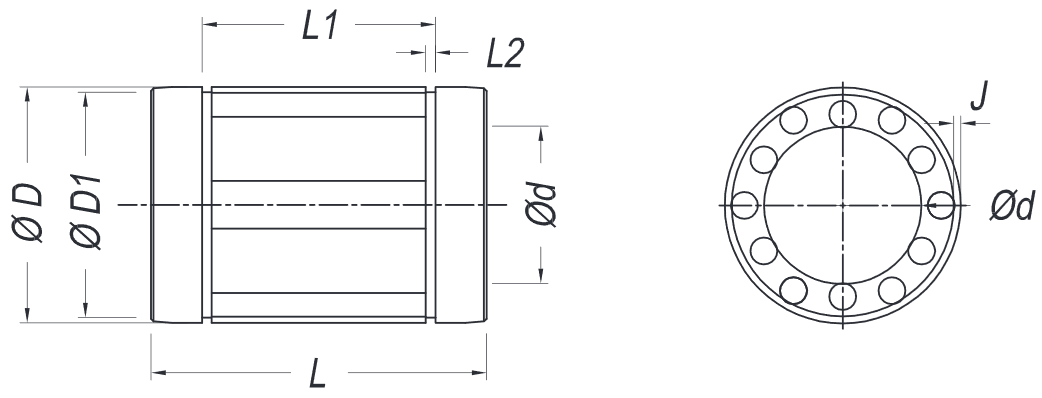
Rozměry a únosnost:
| Typ | Rozměry (mm) | Silové zatížení (N) |
||||||||||
| Ø d | Ø D | Ø D1 | G | J | L | L1 | L2 | W | (º) | Dynamické | Statické | |
| SBE-16-UU | 16 | 26 | 24,9 | - | 1 | 36 | 24,6 | 1,3 | 9 | 68 | 1255 | 1299 |
| SBE-20-UU | 20 | 32 | 30,5 | - | 1 | 45 | 31,2 | 1,6 | 9 | 55 | 2230 | 2237 |
| SBE-25-UU | 25 | 40 | 38,5 | 1,5 | 1,5 | 58 | 43,7 | 1,85 | 11,5 | 57 | 3838 | 3844 |
| SBE-30-UU | 30 | 47 | 44,5 | 2,0 | 2,2 | 68 | 51,7 | 1,85 | 14 | 57 | 4456 | 4651 |
| SBE-40-UU | 40 | 62 | 58,5 | 1,5 | 2,7 | 80 | 60,3 | 2,15 | 19,5 | 56 | 8058 | 7671 |
| SBE-50-UU | 50 | 75 | 71,5 | 2,5 | 2,3 | 100 | 77,3 | 2,65 | 22,5 | 54 | 11567 | 11051 |
Nomenklatura značení:
Příklad značení: SBE-25-UU
- SBE (typ pouzdra)
- 25 (vnitřní průměr)
- UU (těsnění z obou stran)
Modely

